Home Products Coin Cell Holder ΦO=16mm

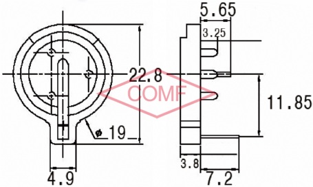
Coin Cell Holder - ΦO=16mm